GCS低壓抽出式開關柜概述:
GCS裝置適用G于發電廠、石油、化工、冶金、紡織、高層建筑等行業的配電系統。在大型發電廠、石化系統等自動化程度高,要求與計算機接口的場所,作為三相交流頻率為50(60)Hz,額定工作電壓為380V(400V),( 660V),額定電流為4000A及以下的發、供電系統中的配電、電動機集中控制、無功功率補償使用的低壓成套配電裝置。
GCS低壓抽出式開關柜型號含義:

GCS低壓抽出式開關柜性能指標:
裝置的設計符合下列標準;
?IEC439-1低壓成套開關設備和控制設備;
?GB 7251低壓成套開關設備;
?ZBK 36001低壓抽出式成套開關設備;
GCS低壓抽出式開關柜基本參數:

GCS低壓抽出式開關柜主結構:
?主構架采用8MF型開口型鋼,型鋼的二側面分別有模數為20mm、100mm和φ9.2mnl的安裝孔,內部安裝靈活方便;
?主構架裝配形式設計為兩種,全組裝式結構和部份(側框和橫梁)焊接式結構,供用戶選擇;
?裝置的各功能室相互隔離,其隔室分為功能單元室、母線室和電纜室。各室的作用相對獨立;
?水平主母線采用柜后平置式排列方式,以增強母線抗電動力的能力,使裝置的主電路具備高短路強度能力的基本措施;
?電纜隔室的設計使電纜上下進出均十分方便;
?裝置通用柜體的尺寸系列(見下表):

GCS低壓抽出式開關柜功能單元:
?抽屜層高的模數為160mm,分為1/2單元、1單元、3/2單元、2單元、3單元五個尺寸系列。單元回路額定電流400A及以下;
?抽屜改變僅在高度尺寸上變化,其寬度、深度尺寸不變。相同功能單元的抽屜具有良好的互換性;
?每臺MCC柜最多能安裝11個一單元的抽屜或22個1/2單元的抽屜。其中一單元以上抽屜采用多功能后板;
?抽屜進出線根據電流大小采用不同片數的同一規格片式結構的插件;
?1/2單元抽屜與電纜室的轉接采用背板式結構ZJ-2型轉接件;
?單元抽屜與電纜室的轉接按電流分檔采用相同尺寸棒式或管式結構ZJ-1型轉接件;
?抽屜單元設有機械聯鎖裝置;
GCS低壓抽出式開關柜主要電器元件:
?主要電器元件的選用原則立足于引進技術,國內能成系列批量生產,又能滿足裝置高性能的要求。
?電源及饋線單元斷路器主選AH系列,也可選用其它性能更先進的Schneider公司生產的M系列、ABB公司生產的F系列。AH型斷路器具有性能好、結構緊湊、重量較輕、系列性強的特點。價格相對較低,維護使用方便,各項性能指標能滿足本裝置的要求。
?抽屜單元(電動機控制單元、部份饋電單元)斷路器主選CM1、TG、TM30系列塑殼斷路器,部份選用MOELLER公司生產的NZM-100 A系列。 這些開關均有性能好,結構緊湊、短飛弧或無飛弧、技術經濟指標高的特點,能滿足本裝置的要求。
?隔離開關及熔斷器式隔離開關選Q系列。該系列可靠性高、分斷能力強并可以實現機械聯鎖。
?熔斷器主選NT系列。
?交流接觸器選用B系列、LC1-D系列。
GCS低壓抽出式開關柜裝置特點:
?提高轉接件的熱容量,較大幅度的降低由于轉接件的溫升給接插件、電纜頭、間隔板帶來的附加溫升。
?功能單元之間、隔室之間的分隔清晰、可靠,不因某一單元的故障而影響其它單元工作,使故障局限在最小范圍。
?母線平置式排列使裝置的動熱穩定性好,能承受80/167kA短路電流的沖擊。
?MCC柜單柜的回路數量多到22回,充分考慮大單機容量發電,石化系統等行業自動化電動機群的需要。
?裝置與外部電纜的連接在電纜隔室中完成,電纜可以上下進出。電流互感器裝置于電纜隔室內,使安裝維修方便。
?同一電源配電系統,可以通過限流電抗器匹配限制短路電流,穩定母線電壓在一定的數值,還可部分降低對元器件短路強度要求。
?抽屜單元有足夠數量的二次插接件(1單元及以上為32對,1/2單元為20對),可滿足計算機接口和自控回路對接點數量的要求。
GCS低壓抽出式開關柜輔助電路:
輔助電路圖的設計符合《火力發電廠廠用電設計技術規定》等有關設計技術規程規定,適用于發電廠、變電站的低壓廠(所)用電系統及廠礦企業、高層建筑內的低壓配電系統。
輔助電路方案根據主電路方案分電源進線、饋線(PC)和電動機饋線(MCC)操作控制的功能單元進行設計。
GCS低壓抽出式開關柜安裝與使用:
產品到達收產貨地點后,首先應當檢查包裝是否完整無損,發現問題應及時通知合同有關部門做好商務記錄,共同分析原因,作好簽證和善后處理。對于不立即安裝的產品,應根據正常使用條件和電氣設備暫時保管規程要求置于適當的場所,妥善保管。
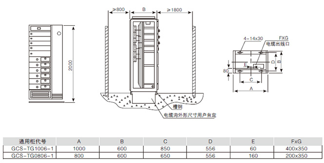
?產品的安裝應按安裝示意圖進行(見附圖)。基礎槽鋼和采用螺栓固定方式時的螺栓由用戶自備。主母線連接時。如表面因運輸、保管等原因有不平整時需平整后再連接緊固。
?裝置單獨或成列安裝時,其垂直度以及柜面不平度和柜間縫隙的偏差應符合下表規定。

?產品安裝后投運前的檢查與檢驗
(1).檢查柜面漆或其它覆蓋材料(如噴塑)有否損壞,柜內是否干燥清潔。
(2).電器元件的操作機構是否靈活,不應有卡滯或操作力過大現象。
(3).主要電器的主輔觸頭的通斷是否可靠、準確。
(4).抽屜或抽出式機構抽拉應靈活、輕便,無卡阻和碰撞現象。
(5).抽屜或抽出式結構的動、靜觸頭的中心線應一致,觸頭接觸應緊密。主、輔觸頭的插入深度應符合要求。機械聯鎖或電氣聯鎖
置 應裝動作正確,閉鎖或解除均應可靠。
(6).相同尺寸的抽屜應能方便的互換,無卡阻和碰撞現象。
(7).抽屜與柜體間的接地觸頭應接觸緊密,當抽屜推入時,抽屜的接地觸頭比主觸頭先接觸,拉出時接地觸頭比主觸頭后斷開。
(8).儀表的刻度整定、互感器的變化及極性應正確無誤。
(9).熔斷器的熔芯規格應符合工程設計的要求。
(10).保護的額定值及整定應正確,動作可靠。
(11).用0100V兆歐表測絕緣電阻值不得低于1MΩ。
(12).各母線的連接應良好,絕緣支撐件、安裝件及其它附件安裝應牢固可靠。
GCS低壓抽出式開關柜使用注意事項:
(1).裝置為不靠墻安裝,正面操作,雙面維修的低壓配電柜。柜的維修通道及柜門,必須是考核合格的專業人員方可進入或開啟進行操作、檢查和維修作。
(2).空氣斷路器、塑殼斷路器經過多次分合,特別是經過短路分合后,會使觸頭局部燒傷和產生碳類物質,使接觸電阻增大,應按斷路器使用說明書進行維護和檢修。
(3).經過安裝和維修后,必須嚴格檢查各隔室之間、功能單元之間的隔離狀況,以確保本裝置良好的功能分隔性,防止出現故障擴大。
GCS低壓抽出式開關柜產品成套性:
制造廠供貨時提供下列文件及附件:
?裝置清單
?產品合格證
?使用說明書
?出廠試驗報告
?有關電氣圖紙
?柜門鑰匙、操作手柄及合同規定的備品配件
?主要元器件的安裝使用說明書
GCS低壓抽出式開關柜訂貨須知:
訂貨合同包含以下內容:
?產品的全型號包括主電路方案號和輔助電路方案號
?主電路系統組合順序圖
?輔助電路電氣原理圖
?柜內元器件清單
?電路中電壓、電流、時間等整定參數
?與產品正常使用不符的其它特殊要求
GCS低壓抽出式開關柜安裝示意圖:


圖3、MCC 柜安裝示意圖:
