GCK低壓抽出式開關柜用途:
GCK低壓抽出式開關柜由動力配電中心(PC)柜和電動機控制中心(MCC)二部分組成,適用于發電廠、變電站、工礦企業等電力用戶作為交流50Hz,最大工作電壓至660V,最大工作電流至3150A的配電系統中,作為動力配電、電動機控制及照明等配電設備的電能轉換分配控制之用。
GCK低壓抽出式開關柜特點:
本系列產品具有分斷能力高,動熱穩定性好,結構先進合理,電氣方案切合實際,系列性。通用性強,各種方案單元任意組合,一臺柜體所容納的回路較多,節省占地面積,外形美觀,防護等級高,安全可靠,維護方便等優點。
本產品符合IEC 349 NEMA CIS—2322標準、也符合GB 2751.2005《低壓成套開關設備》國家標準和ZBK 63001《低壓抽出式成套開關設備》專業標準。
GCK低壓抽出式開關柜使用環境條件:
?海拔不超過2000m。
?周圍空氣溫度不高于+40℃,并且24h內平均溫度不高于+350℃,周圍空氣溫度不低于-50℃。
?大氣條件:空氣清潔,相對濕度在溫度為+40℃時不超過50%,在溫度較低時允許有較高的相對濕度,列如:+20℃時為90%。
?沒有火災,爆炸危險,嚴重污穢,化學腐蝕及劇烈震動的場所。
?與垂直面傾斜不超過5°。
?本產品適合以下溫度運輸儲存:-25℃~+55℃,在短時間內(不超過24h)不超過+70℃。
?如上述使用條件不能滿足時,應由用戶在訂貨時向制造廠方提出,協商解決。
開關柜的主要技術參數:

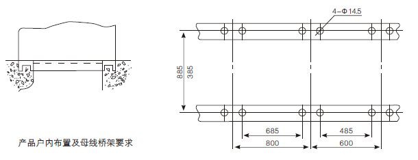
GCK低壓抽出式開關柜外形尺寸安裝尺寸:

產品安裝基礎示意圖:


◆本產品在安裝時,柜與柜之間的水平線應連接牢固可靠。
◆本產品的門與主開關有聯鎖功能,即只有在斷電的情況下門才可能打開,本產品的其它側面為螺釘封板,與主開關沒有聯鎖功能,故請用戶在拆開本產品側板檢修時,務必斷開電源。
◆非專業人員請勿打開柜體維護檢修。